蕉岭县龙腾旋窑水泥有限公司环境信息公开(2021年)
环境信息公开
一、企业基本情况
|
企业名称 |
蕉岭县龙腾旋窑水泥有限公司 |
|||
|
地址 |
广东省梅州市蕉岭县新铺镇油坑村 |
|||
|
法人代表 |
徐振山 |
联系方式 |
13824553868 |
|
|
联系人 |
钟辉剑 |
联系方式 |
15014564495 |
|
|
所属行业 |
水泥制造 |
生产周期 |
305天 |
|
|
成立时间 |
2017年11月 |
职工人数 |
400人 |
|
|
占地面积 |
19.47公顷 |
污染源类型 |
废气、噪声 |
|
|
排污许可证编号 |
91441427735038958T001P |
|||
|
主要生产设备 |
石灰石破碎机2台、回转窑2条、原煤破碎机1台、混合材破碎机2台、煤磨2台、水泥磨6台、包装机9台 |
|||
二、排污信息
1、有组织废气点位布设及依据:
公司主要污染物排放来源于两条回转窑熟料烧成过程产生的高温煅烧废气(包括含颗粒物、二氧化硫、氮氧化物、氟化物、氨、汞及其化合物)和窑头、石灰石破碎机、煤磨、原煤破碎机、混合材破碎机、水泥磨和包装机产生的废气(颗粒物)排放。窑尾废气氮氧化物经脱硝系统设施处理后、颗粒物经布袋收尘处理后和二氧化硫一起经108米高和监测断面尺寸是直径4.5m排气筒(烟囱)外排,废气排放口编号为DA019和DA021;窑头颗粒物经布袋收尘处理后经35米高和监测断面尺寸是直径4.5m排气筒(烟囱)外排,废气排放口编号为DA020和DA022;其他工艺颗粒物排放通过在各下料口安装布袋收尘器来收集粉尘,防止排入大气。各排放口设置了废气监测孔。
2、废气监测因子
根据《排污单位自行监测技术指南 总则》HJ 819-2017 中5.2.1.4中第(2)、(3)节要求,我司废气监测因子为:窑尾主要有颗粒物、二氧化硫、氮氧化物、氟化物、氨、汞及其化合物;窑头、石灰石破碎机、原煤破碎机、混合材破碎机、煤磨、水泥磨和包装机主要是颗粒物。
3、监测频次
根据《排污单位自行监测技术指南 总则》HJ 819-2017 中5.1.1.2点要求监测频次为:①窑头的颗粒物和窑尾的颗粒物、二氧化硫、氮氧化物因安装有自动监控,连续监测;②窑头、石破、原煤破碎机、混合材破碎机、煤磨、水泥磨、包装机的颗粒物和窑尾的颗粒物、二氧化硫、氮氧化物、氟化物、氨、汞及其化合物每个季度手工监测一次;③其他工艺固定污染源废气点位每两年手工监测一次。
4、无组织废气污染源点位布设及依据:
根据《排污单位自行监测技术指南 水泥工业》HJ 848-2017 5.1.2无组织废气监测指标最低监测频次,我司属于水泥制造企业,故根据大气无组织排放监测技术导则HJ/55-2000布设无组织废气监测上风向设置一个参照点,,监测因子为:悬浮颗粒物和氨。监测频次:悬浮颗粒物每季度手工监测一次;氨为每年监测一次。
|
监测点位 |
监测指标 |
监测频次 |
|
厂界 |
颗粒物、氨 |
季度 |
|
氨(氨气) |
年 |
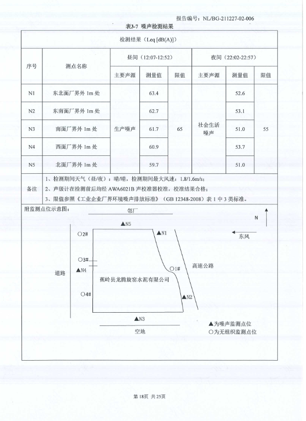
5、厂界噪声污染源点位布设及依据:
根据《排污单位自行监测技术指南 水泥工业》HJ 848-2017 5.2厂界环境噪声布点应关注的水泥工业企业主要噪声源的要求,我司水泥制造涉及破碎机、磨机、回转窑等大型设备设施位于厂区中心,声源分布较为均匀,故厂界噪声布点根据GB12348-2008工业企业厂界环境噪声排放标准,测点选在工业企业厂界外1m、高度1.2m以上,共布设4个噪声监测点,分别为:北厂界(临原龙腾旋窑1000T)、南厂界、西厂界(临205国道)、东厂界(临天汕高速),监测频次为每季度一次厂界四个监测点,昼夜监测。
6、周边环境质量影响监测污染源点位布设及依据
因我司是在2015年1月1日前取得环境影响评价批复的排污单位,根据《排污单位自行监测技术指南 水泥工业》HJ 848-2017 5.4周边环境质量影响最低监测频次的要求,我司周边环境质量影响监测污染源点位无需布设和监测。
7、执行标准
我司废气排放执行国家标准《水泥工业大气污染物排放标准GB4915-2013》;窑尾废气污染因子二氧化硫和氟化物执行广东省地方标准《水泥工业大气污染物排放标准DB44/818-2010》,厂界噪声排放限值执行GB12348-2008《工业企业厂界环境噪声排放标准》。
|
污染物类别 |
监测点位 |
污染因子 |
执行标准 |
标准限值 |
监测频次 |
单位 |
|
废气 |
窑头 |
颗粒物 |
GB4915-2013 |
20 |
每季度/次 |
mg/m3 |
|
窑尾 |
颗粒物 |
GB4915-2013 |
20 |
每季度/次 |
mg/m3 |
|
|
SO2 |
DB44/818-2010 |
100 |
每季度/次 |
mg/m3 |
||
|
NOX |
GB4915-2013 |
320 |
每季度/次 |
mg/m3 |
||
|
氟化物 |
DB44/818-2010 |
3 |
每季度/次 |
mg/m3 |
||
|
汞及其化合物 |
GB4915-2013 |
0.05 |
每季度/次 |
mg/m3 |
||
|
氨 |
GB4915-2013 |
8 |
每季度/次 |
mg/m3 |
||
|
石灰石破碎机 |
颗粒物 |
GB4915-2013 |
10 |
每季度/次 |
mg/m3 |
|
|
原煤破碎机 |
颗粒物 |
GB4915-2013 |
20 |
每季度/次 |
mg/m3 |
|
|
混合材破碎机 |
颗粒物 |
GB4915-2013 |
10 |
每季度/次 |
mg/m3 |
|
|
煤磨 |
颗粒物 |
GB4915-2013 |
10 |
每季度/次 |
mg/m3 |
|
|
1#水泥磨 |
颗粒物 |
GB4915-2013 |
10 |
每季度/次 |
mg/m3 |
|
|
2#水泥磨 |
颗粒物 |
GB4915-2013 |
10 |
每季度/次 |
mg/m3 |
|
|
3#水泥磨 |
颗粒物 |
GB4915-2013 |
10 |
每季度/次 |
mg/m3 |
|
|
4#水泥磨 |
颗粒物 |
GB4915-2013 |
10 |
每季度/次 |
mg/m3 |
|
|
5#水泥磨 |
颗粒物 |
GB4915-2013 |
10 |
每季度/次 |
mg/m3 |
|
|
6#水泥磨 |
颗粒物 |
GB4915-2013 |
10 |
每季度/次 |
mg/m3 |
|
|
1#包装机 |
颗粒物 |
GB4915-2013 |
10 |
每季度/次 |
mg/m3 |
|
|
2#包装机 |
颗粒物 |
GB4915-2013 |
10 |
每季度/次 |
mg/m3 |
|
|
3#包装机 |
颗粒物 |
GB4915-2013 |
10 |
每季度/次 |
mg/m3 |
|
|
4#包装机 |
颗粒物 |
GB4915-2013 |
10 |
每季度/次 |
mg/m3 |
|
|
5#包装机 |
颗粒物 |
GB4915-2013 |
10 |
每季度/次 |
mg/m3 |
|
|
6#包装机 |
颗粒物 |
GB4915-2013 |
10 |
每季度/次 |
mg/m3 |
|
|
7#包装机 |
颗粒物 |
GB4915-2013 |
10 |
每季度/次 |
mg/m3 |
|
|
8#包装机 |
颗粒物 |
GB4915-2013 |
10 |
每季度/次 |
mg/m3 |
|
|
9#包装机 |
颗粒物 |
GB4915-2013 |
10 |
每季度/次 |
mg/m3 |
|
|
厂界 噪声 |
东厂界 |
噪声 |
GB 12348-2008 |
昼间65dB(A) 夜间55dB(A) |
每季度/次 |
dB(A) |
|
南厂界 |
||||||
|
西厂界 |
||||||
|
北厂界 |
||||||
|
无组织 |
上下风向 |
悬浮颗粒物 |
GB4915-2013 |
0.5 |
每季度/次 |
mg/m3 |
|
上下风向 |
氨 |
GB4915-2013 |
10 |
每季度/次 |
mg/m3 |
|
|
废气 |
其它工艺 |
颗粒物 |
GB4915-2013 |
20 |
2年/次 |
mg/m3 |
8、2021年度我司排放浓度和总量
|
2021年广东油坑建材有限公司环保数据汇总(一线) |
||||||||
|
月份 |
窑头 |
窑尾 |
||||||
|
颗粒物平均排放值 |
颗粒物 |
颗粒物平均排放值 |
颗粒物 |
SO²平均排放值 |
SO²总量 |
NOX平均排放值 |
NOX总量 |
|
|
mg/m³ |
吨 |
mg/m³ |
吨 |
mg/m³ |
吨 |
mg/m³ |
吨 |
|
|
1月 |
4.69 |
1.73 |
8.12 |
2.07 |
1.15 |
0.19 |
183.73 |
47.32 |
|
2月 |
4.11 |
1.04 |
8.54 |
1.05 |
2.39 |
0.26 |
190.9 |
23.71 |
|
3月 |
4.2 |
1.14 |
6.79 |
0.91 |
0.11 |
0.03 |
219.2 |
29.7 |
|
4月 |
8.4 |
3.52 |
7.98 |
2.74 |
0.09 |
0.03 |
225.7 |
77.23 |
|
5月 |
7.01 |
3.02 |
8.94 |
3.15 |
4.04 |
1.41 |
219.81 |
77.49 |
|
6月 |
4.33 |
1.8 |
9.86 |
3.25 |
0.11 |
0.01 |
227.4 |
74.63 |
|
7月 |
7.92 |
2.75 |
9.57 |
3.25 |
0.15 |
0.03 |
238.93 |
81.15 |
|
8月 |
8.8 |
3.77 |
8.03 |
3.6 |
11.91 |
5.45 |
220.29 |
61.89 |
|
9月 |
7.38 |
2.64 |
9.76 |
3.92 |
9.31 |
3.79 |
200.52 |
80.58 |
|
10月 |
5.23 |
0.95 |
10.7 |
2.04 |
13.48 |
2.6 |
223.39 |
39.63 |
|
11月 |
0 |
0 |
0 |
0 |
0 |
0 |
0 |
0 |
|
12月 |
5.37 |
2.38 |
9.24 |
3.96 |
11.88 |
5.14 |
192.96 |
83.77 |
|
合计 |
24.74 |
29.94 |
18.94 |
677.1 |
||||
|
2021年蕉岭县龙腾旋窑水泥有限公司环保数据汇总(二线) |
||||||||
|
月份 |
窑头 |
窑尾 |
||||||
|
颗粒物平均排放值 |
颗粒物 |
颗粒物平均排放值 |
颗粒物 |
SO²平均排放值 |
SO²总量 |
NOX平均排放值 |
NOX总量 |
|
|
mg/m³ |
吨 |
mg/m³ |
吨 |
mg/m³ |
吨 |
mg/m³ |
吨 |
|
|
1月 |
3.45 |
1.27 |
7.34 |
2.79 |
7.46 |
2.58 |
206.91 |
76.28 |
|
2月 |
1.7 |
0.59 |
7.09 |
2.27 |
9.11 |
2.04 |
200.84 |
62.38 |
|
3月 |
2.4 |
1.03 |
7.06 |
2.73 |
1.09 |
0.34 |
205.14 |
75.4 |
|
4月 |
3.23 |
0.78 |
6.07 |
2.6 |
1.06 |
0.39 |
221.02 |
72.4 |
|
5月 |
2.88 |
1.02 |
7.12 |
3.1 |
28.33 |
8.63 |
214.79 |
80.2 |
|
6月 |
2.12 |
0.51 |
6.38 |
2.73 |
7.92 |
3.15 |
207.08 |
85.87 |
|
7月 |
0 |
0 |
0 |
0 |
0 |
0 |
0 |
0 |
|
8月 |
2.35 |
0.16 |
2.28 |
0.24 |
0.87 |
0.1 |
182.98 |
17.54 |
|
9月 |
2.35 |
0.8 |
3.98 |
1.48 |
0.85 |
0.32 |
199.45 |
87.61 |
|
10月 |
2.49 |
0.36 |
4.07 |
0.95 |
2.99 |
0.68 |
215.91 |
50.75 |
|
11月 |
0 |
0 |
0 |
0 |
0 |
0 |
0 |
0 |
|
12月 |
2.51 |
0.88 |
5.93 |
3.02 |
3.72 |
1.76 |
196.94 |
102.72 |
|
合计 |
7.4 |
21.91 |
19.99 |
711.15 |
||||
9、固体废物(危险废物)产生与处理状况
|
类别 |
产生单元 |
废物名称 |
去向 |
|
一般工业 固体废物 |
除尘工序 |
收尘的废滤带 |
窑内焚烧 |
|
水泥窑 |
废耐火砖 |
破碎后当混合材使用 |
|
|
危险废物 |
生产过程中没有产生危险废物 |
||
三、污染防治设施的建设和运行情况
|
序号 |
设施名称 |
设施编号 |
设施类型 |
参数 |
数量 |
单位 |
备注 |
|
1 |
1#线窑尾废气处理 |
TA022 |
除尘设施 |
运行时间 |
7002 |
h |
|
|
运行费用 |
55 |
万元 |
|||||
|
去除效率 |
99.9 |
% |
|||||
|
固废产生量 |
1 |
t |
|||||
|
氨水用量 |
0 |
t |
|||||
|
2 |
1#线窑尾废气处理 |
TA022 |
脱销设施 |
运行时间 |
7002 |
h |
|
|
运行费用 |
437.6 |
万元 |
|||||
|
去除效率 |
70 |
% |
|||||
|
固废产生量 |
0 |
t |
|||||
|
氨水用量 |
3500 |
t |
|||||
|
3 |
1#线窑头废气处理 |
TA019 |
除尘设施 |
运行时间 |
7002 |
h |
|
|
运行费用 |
42 |
万元 |
|||||
|
去除效率 |
99 |
% |
|||||
|
固废产生量 |
0.5 |
t |
|||||
|
氨水用量 |
0 |
t |
|||||
|
4 |
2#线窑尾废气处理 |
TA019 |
除尘设施 |
运行时间 |
6045 |
h |
|
|
运行费用 |
750 |
万元 |
|||||
|
去除效率 |
99.9 |
% |
|||||
|
固废产生量 |
7 |
t |
|||||
|
氨水用量 |
0 |
t |
|||||
|
5 |
2#线窑尾废气处理 |
TA019 |
脱销设施 |
运行时间 |
6045 |
h |
|
|
运行费用 |
377.8 |
万元 |
|||||
|
去除效率 |
70% |
% |
|||||
|
固废产生量 |
0 |
t |
|||||
|
氨水用量 |
3025 |
t |
|||||
|
6 |
1#线窑头废气处理 |
TA019 |
除尘设施 |
运行时间 |
6045 |
h |
|
|
运行费用 |
580 |
万元 |
|||||
|
去除效率 |
99.9 |
% |
|||||
|
固废产生量 |
5 |
t |
|||||
|
氨水用量 |
0 |
t |
四、建设项目环境影响评价及其他环境保护行政许可情况
|
建设项目环境影响评价(一线) |
粤环审【2009】322号 |
|
竣工环境保护验收(一线) |
粤环审【2015】310号 |
|
建设项目环境影响评价(二线) |
粤环审【2016】597号 |
|
竣工环境保护验收(二线) |
粤环函【2017】1799号 |
|
脱销系统验收 |
蕉环审【2013】11号 |
|
环保在线监控验收 |
梅市环函【2015】217号 |
五、突发环境事件应急预案
我司制定了《蕉岭县龙腾旋窑水泥有限公司突发环境事件应急预案》和《蕉岭县龙腾旋窑水泥有限公司风险评估报告》,均已在梅州市环境保护局备案;每年进行相关应急演练。(具体内容见公司网站上发布)
附件1工艺流程图

附件二:厂区平面布置图

附件三:环保监测点位示意图

附件四:环境检测报告































