首页
荣誉证书
工程案例
新闻资讯
环保动态
关于企业
联系我们
首页
荣誉证书
工程案例
新闻资讯
环保动态
关于企业
联系我们
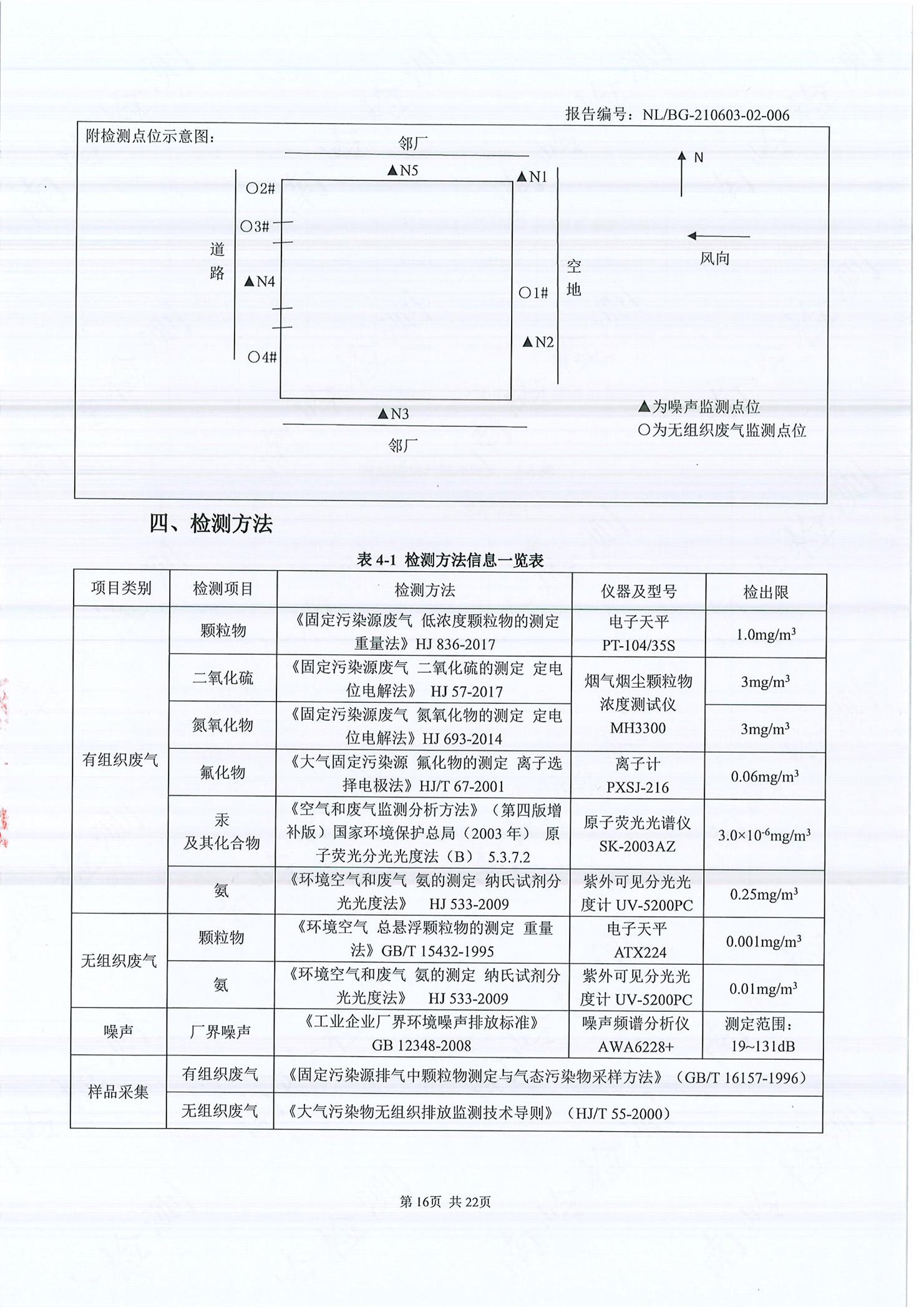
2021年第二季度第三方环保监测报告
发布于: 2021-06-03 15:21
阅读:
10
分类:
环保动态