首页
荣誉证书
工程案例
新闻资讯
环保动态
关于企业
联系我们
首页
荣誉证书
工程案例
新闻资讯
环保动态
关于企业
联系我们
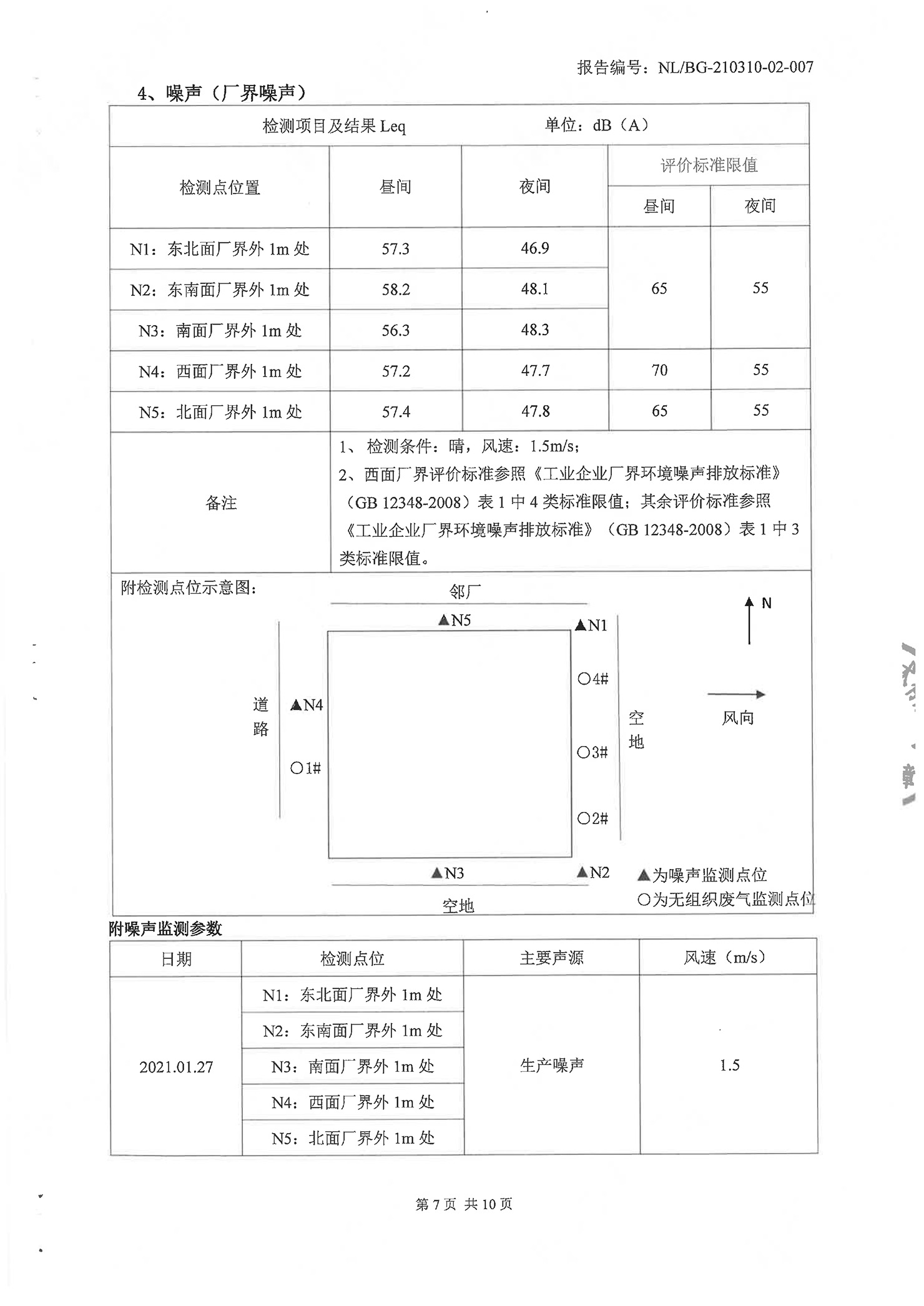
2021年第一季度第三方环保监测报告
发布于: 2021-04-08 15:17
阅读:
9
分类:
环保动态